| Sign In | Join Free | My futurenowinc.com |
|
Brand Name : Elephant Fluid Power
Model Number : PVB29
Certification : ISO9001,CE
Place of Origin : China
MOQ : 1
Price : 900-1100USD
Payment Terms : T/T, Western Union,Paypal,
Supply Ability : 300 sets per month
Delivery Time : 7-10 days
Packaging Details : Carton box,wooden case
Material : Cast Iron
Application : Hydraulic repair
Warranty : 12 months
Quality : OEM quality
Lead time : 7-10 days
Packing : Carton box wooden case
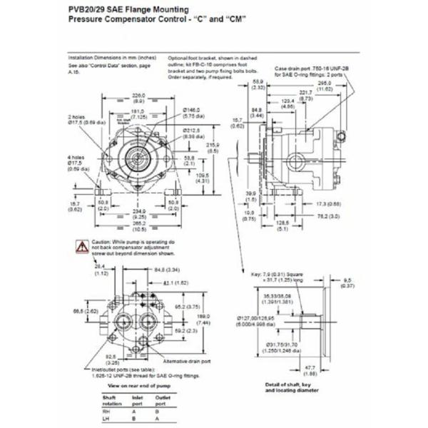
Vickers PVB29 - Axial Piston Pump Repalcement Heavy Equipment Maintain Repair Parts
Elephant Fluid Power supplies Vickers PVB29 - Axial Piston Pump Repalcement Heavy Equipment Maintain Repair Parts,good quality,best price,
fast shipment time,one year warranty.
Technical Data:



Our main products models:
FAQ
We win a good reputation based on our quality and services.
We welcome to your enquiry and consults.
|
|
Vickers PVB29 Axial Piston Pump Repalcement Heavy Equipment Maintain Repair Parts Images |